- HOME
- 產品介紹
- 工業遠心鏡頭
- 『 視清 』1.1" 高性能遠心鏡頭
-
MVK05-110C-111V3
MVK05-110C-111V3
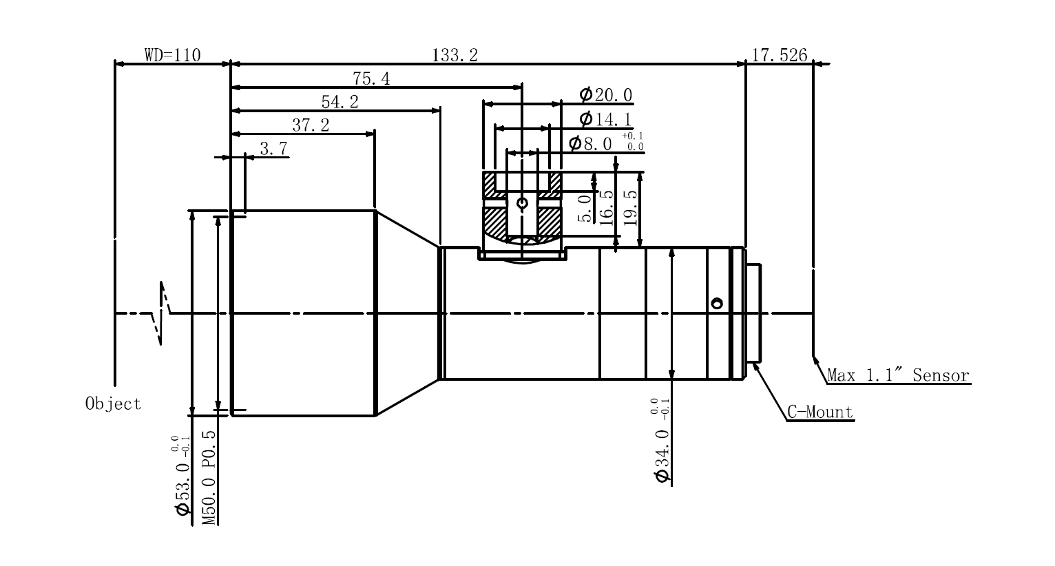
工作距110mm,放大倍率0.5X
資料下載
產品介紹
詳細參數
訂貨型號
· MVK05-110C-111V3
外形尺寸

*產品所涉資料可能因環境等因素而產生差異,本公司不承擔由此產生的後果。
基本參數
| 支持CCD尺寸(Φmm) | 18.0(1.1") | 放大倍率β(x) | 0.5 |
| 物方工作距WD(mm) | 110±2 | 像方F/# | 7 |
| 像方MTF30(lp/mm) | 124 | 物方景深DOF(mm) | ±1.1@F7 |
| 像方畸變(% max) | 0.1 | 物方遠心度(° max) | 0.0 |
| 鏡頭總長(mm) | 133.2 | 鏡頭接口 | C |
| 是否同軸光 | 是 | 物方分辨率(μm) | 9.4 |
| 數值孔徑 NA | 0.03569 |
視野範圍(mmxmm)
| 1“ IMX183 (13.13x8.76) | 26.3X17.5 |
1.1" IMX253 (14.19x10.38)
|
28.4x20.8 |